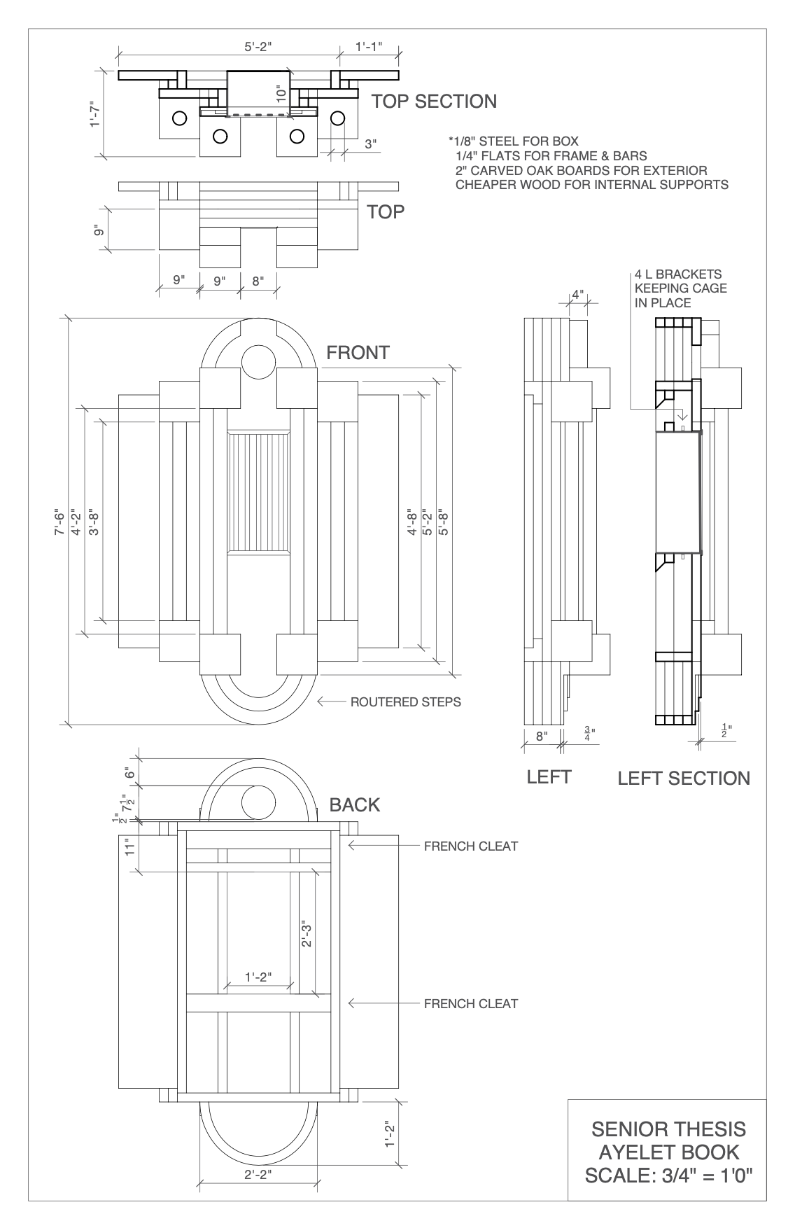
The Holy Closeted

Poplar Wood, Steel, Muslin, Acrylic, & LEDs: 7.5ft X 5ft X 1.25ft

This closet is a solid and imposing facade of steel and wood shaped by generations of tradition that harbors and hides the amalgamation of defining beliefs and values, both aligned and in conflict with the Jewish and Queer communities. But as solid as the closet needs to be, the tighter the core of this person is restrained, the more they yearn for release.

©2026ayeletbook